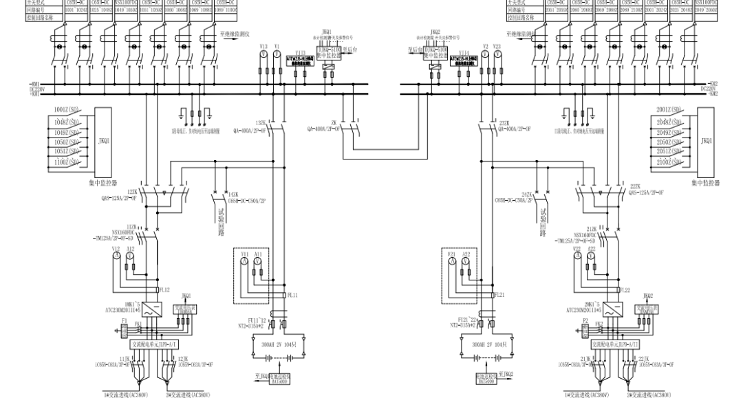
在220千伏变电站和紧张的110千伏变电站中, 站用直流屏系统一般接纳两电两充(两组蓄电池配两套充电机)的建设。当对两电两充直流屏系统蓄电池组举办查对性充放电实验或者举办大修时,往往需要将一套蓄电池组和充电机退出运行,由另一套蓄电池组和充电机带全站负荷,待工作结束后再恢复,此过程称为倒闸操作。
在直流屏系统倒闸操作过程中,操作人员除了严格按照倒闸操作票举办操作外,还应了解直流屏系统倒闸操作相关安全注意事变,并采取须要的安全措施,防止出现直流屏系统短路、失压及人身触电等事故。
倒闸前安全注意事变
1. 检查两套直流屏系统无报警信号。
若倒闸前其间一段直流母线存在接地故障。将两段直流母线并排后,另一段正常直流母线也会接地,不利于直流屏系统正常运行。若倒闸前两段直流母线均存在接地故障,将两段直流母线并排后将发生两点接地,可能导致维护误动或许拒动,影响电网正常运行。因此,倒闸前必须承认两套直流屏系统均无变态。

2. 查看两组蓄电池组均在浮充电状况。
若倒闸前一组蓄电池处于浮充电状况,另一组处于均充电状况。将两段直流母线并列后,浮充电侧充电机因为电压低而闭锁输出,均充侧充电时机瞬间接受两段直流母线负荷以及两组蓄电池的充电负荷,影响均充侧充电机使用寿命。因此,倒闸前必须承认两组蓄电池组均在浮充电状况。

3. 查看两套直流屏体系各自的两路沟通输入电压正常,且沟通输入切换设备能正常动作。
若沟通输入切换设备无法正常切换,当退出蓄电池进程时,可能因站用沟通电源母线失压而形成直流屏体系失压。
4. 查看两套直流屏体系直流母线压差小于规定值,在本例中为2V。
若倒闸前将两段直流母线压差过大,将两段直流母线并列后,电压低侧充电机由于电压低而闭锁输出,电压高侧充电机和蓄电池会接受两段直流母线负荷以及压差过大带来的瞬时冲击电流,严峻时可能会形成充电机过流保护甚至损坏。
1#直流屏系统馈线屏电压实测
2#直流屏体系馈线屏电压实测
两段直流屏母线转并排运行安全注意事项
1. 操作直流屏体系联络开关时动作要快速、连贯。
若直流屏体系采纳双母联开关接线方式,操作直流屏体系联络开关时动作要快速、连贯,削减直流母线脱离蓄电池组的时间。双母联开关包含“电池I-馈线I”(电池II-馈线II)、“断开”、“馈线I-馈线II”(“馈线II-馈线I”)三个方位。操作人员需将母联开关先由“电池I-馈线I”(电池II-馈线II)方位切换至“断开”方位,再由“断开”方位切换至“馈线I-馈线II”(“馈线II-馈线I”)方位。当母联开关处于“断开”方位时,该段直流母线脱离蓄电池组,仅由充电机供电,若此刻充电机毛病或许失掉交流电源,该段直流母线将失压。
2. 两段母线并列后,在合上的母联开关把手上挂“禁止分闸!”标示牌,并在把手操作杆上加挂机械锁。
在合上的母联开关把手上采取“双保险”:挂标示牌、加挂机械锁,防止人员误操作造成直流屏系统失压。
3. 两段母线并排后,若两套直流屏体系绝缘监测设备均为平衡桥式,需将其中一个绝缘监测设备关机并撤除平衡电阻的接地线。撤除的接地线做好绝缘包扎处理。
平衡桥式绝缘监测设备并联后会误发直流接地故障信号。因而,有必要将其中一个绝缘监测设备关机并撤除平衡电阻的接地线。
乐发Vlll
四、退出充电机及蓄电池组安全注意事项
1. 将一套充电机退出运行后,需调查两套充电机输出电流表或用钳形电流表丈量,承认该段直流母线负荷已悉数转移至另一套直流屏体系。
退出充电机后承认该充电机无电流,且另一套充电机带全站负荷,避免母联开关没合到位的情况下退出充电机及蓄电池组后造成直流屏体系失压。
2. 取蓄电池组保险时,应戴绝缘手套,并站在绝缘垫上。
此措施是为了防止取蓄电池组保险时发生人身触电事故。
3. 取下蓄电池组保险后,在蓄电池保险的底座正极上下两端、负极上下两端分别套上大小合适的绝缘盒,并在绝缘盒上分别挂“禁止合闸,有人工作!”标示牌。
在蓄电池保险的底座上套绝缘盒是为了防止发生蓄电池正负极短路、人身触电事故。挂标示牌是防止误操作造成人身触电事故。
五、康复充电机及蓄电池组安全注意事项
1. 合上蓄电池组稳妥时,应戴绝缘手套,并站在绝缘垫上,防止产生人身触电事端。
此措施是为了防止取蓄电池组稳妥时产生人身触电事端。
2. 康复充电机后,通过调查两套充电机输出电流表并用钳形电流表测量,确认两套充电机均有输出。
对于双母联开关直流屏体系,若有一套充电机无输出,在切换母联开关时将形成该套直流屏体系失压。因此,康复充电机后有必要确认两套充电机均有输出。
六、将两段直流母线转排列运转安全注意事项
1. 将两段直流母线排列运转时,要确认两套直流屏体系充电机均有直流电压输出,操作直流屏体系联络开关时动作要快速、连接。
若直流屏体系采取双母联开关接线方式,操作直流屏体系联络开关时动作要快速、连接,减少直流母线脱离蓄电池组的时间,防止因充电机毛病或许失掉交流电源形成直丢失压。
2. 两段母线排列后,需将拆除的绝缘监测设备平衡电阻接地线康复,并将绝缘监测设备开机。
两段母线排列后,康复绝缘设备以保证两套直流屏体系均有绝缘监测设备的监视。
七、倒闸后安全注意事项
1.查看两套直流屏体系康复正常运转状况。
2.查看1#、2#直流屏体系充电机输出电压、电流,馈线电压、电流,蓄电池组电压、电流。