



直流屏的种类:
1)、高频开关直流系统(普遍采用)
2)、晶闸管相控直流系统(少量采用)
两种系统比较:
相控电源纹波、高次谐波于扰较大,效率较低及体积庞大,监控系统不完善,难以满足综合自动化及无人值班变电站的要求。
高频开关电源具有稳压、稳流精度高、体积小、重量轻、效率高、输出纹波及谐波失真小、维护容易、噪音小、自动化程度高的优点。
1.直流系统的输出电压等级:220V、110V、48V、24V;
2.220V系统与110V系统比较:
1)110V直流系统要求的绝缘水平较低,提高了运行的安全性。
2)110V直流系统蓄电池个数比220V直流系统减少一半。
3)110V直流系统二次回路电缆截面比220V直流系统大,负载不变,电压小,电流自然大。
4)220V直流系统对变电站的事故照明回路比较有利,接线简单,交直流回路可以共用照明灯具。
直流屏的作用
1、为高压控制电路、高压柜内智能装置(如综保等)和信号设备(如信号灯等)提供直流电源,低压控制电路、低压柜内智能装置和信号设备的电源一般来自本柜220V交流电,不需要直流屏供电。
2、在停电情况下,仍能过蓄电池继续给上述负载提供直流电源。
直流屏名词注释
合母(合闸母线或动力母线):给动力设备提供启动电源的母线;如高压柜的分闸与合闸、油泵或水泵的启动等。
控母(控制母线):给直流负载包括仪器仪表、继电器保护、信号设备、事故照明等提供直流电源的母线。
浮充:在正常运行时,充电装置承担经常负荷,同时向蓄电池组补充充电,以补充蓄电池的自放电,使蓄电池以满容量的状态处于备用。
均充:就是均衡电池特性的充电,指在电池的使用过程中,因为电池的个体差异、温度差异等原因造成电池端电压不平衡,为了避免这种不平衡趋势的恶化,需要提高电池组的充电电压,对电池进行活化充电。
四.直流电源系统组成部分
直流屏电源系统的主要功能单元包括交流配电单元、充电装置、蓄电池组、降压装置、直流馈电单元以及监控单元等。
交流配电单元
1、交流输入采用双路三相交流进线,自动/手动互投。自动方式下,第I路优先,系统投入第I路主工作电源;当主工作电源失电时,第II路电源自动投入。手动方式下,可任选第I路或第II路电源作为输入电源。
2、交流接触器通过机械联锁和电气互锁两种方式来防止两路交流电源同时接入,以保证交流供电可靠运行。
3、配备C级防雷装置,防止交流侧引入雷击损坏直流电源设备。
充电装置(高频开关模块)
对负载提供直流电源。
与监控器配合对蓄电池进行各种形式的充电:均充、浮充、恒流充、恒压充。
采用多模块并联,N+1冗余备份,提高系统可靠性;艾默生HD、ER系列。
前面板示意图:
●可显示整流模块电压、电流、故障代码、地址、分组号、运行模式等信息。
●多机并行时,注意地址的设置。
直流屏的蓄电池组
作用:
作后备电源:一旦交流失电将由蓄电池供电;
作滤波电容:使整流器的直流输出更加平滑,为负载提供质量更好的直流电源;
作动力设备的启动电源:因为动力设备瞬间启动的电流比较大,这个电流由蓄电池组来提供。
种类:
镉镍蓄电池:
正极活性物质主要由镍制成,负极活性物质主要由镉制成的一种碱性蓄电池。具有良好的大电流放电性能(10C5~12Cg)。数量多,维护工作量大,造价相对较高。
阀控式免维护密封铅酸蓄电池:
蓄电池正常使用时保持气密和液密状态,当内部气压超过预定值时,
安全阀自动开启,释放气体,当内部气夺降低后安全阀自动闭合,同
时防止外部空气进入蓄电池内部,使其密封。蓄在使用寿命期限内,
正常使用情况下无需补加电解液,称之为免维护蓄电池。
直流屏调压装置
调节控制母线电压,以向负载提供合适的直流电压。通常采用降压硅链串接于合闸母线和控制母线之间进行调压,允许范围2.5%Ue。可自动或手动调节。
为什么要调压?若控制母线上电压过高,则对长期带电的设备,如继电器、信
号灯等造成损坏或缩短其使用寿命;若控制母线电压过低,则可能导致继电保
护装置和断路器操动机构拒绝动作。
4.5直流馈电单元
将控制电压和合闸电压分配给各负载支路,可实现多种母线的接线方式,并具有配电监控、直流绝缘监测、开关量监测等。
配电监控(必选功能):交流配电模块(EAU01)、直流配电模块(EDU01);
绝缘监测(可选功能):监测母线及馈出支路的绝缘情况并可报出正负母及支路绝缘下降的接地电压和接电电阻值。
开关量监测(可选功能):通过检测该报警触点状态变化,获得空气开关的状态,从而发出报警信号。
EGU01通用配电模块用于检测馈出空开态及温度信号;或者是配合
EDU01检测支路的绝缘状态。可通过其拨码开关选择相应的功能。
4.6监控单元
1、对充电模块、配电监控模块、绝缘监测模块等下级智能监控模块实施数据搜集并加以显示;
2、根据系统的各种设置参数进行警报处理、历史数据管理等;
3、根据不同进行电池管理,输出控制等操作;
4、监控采用大触摸式(EMU10),中文菜单式设置,可实现与后台机的通讯,将数据上传。
直流屏的蓄电池管理参数设置方法:
1、浮充电压:阀控式铅酸电池用(2.23~2.28V)X节数X单体数;
镉镍电池用(1.36~1.45V)X节数X单体数。
2、均充电压:阀控式铅酸电池用(2.30~2.40V)X节数X单体数;
镉镍电池用(1.47~1.55V)X节数X单体数。
3、均充电流:阀控式铅酸电池用0.1C10(C10为蓄电池的标称容量);
镉镍电池用0.2C5(Cg为蓄电池的标称容量)
4、均/浮转换电流:阀控式铅酸电池用0.01C10(C1为蓄电池的标称容);
镉镍电池用0,02C5(Cg为蓄电池的标称容量)
5、浮均转换电流:阀控式铅酸电池用0.05C1(C。为蓄电池的标称容)
镉镍电池用0.08C5(Cg为蓄电池的标称容量)
6、均充持续时间:均充电流小于均/浮转换电流后,继续保持均充的时间。
一般设为3小时。
7、定时均充时间:正常运行浮充状态下每隔30~90天,强制转入均充过程。一般设为90天。
8、温度补偿中心:以上设置的均充电压和浮充电压为温度补偿中心点的充电电压。当环境温度偏离温度补偿中心时,根据温度补偿系数对充电电压进行补偿。补偿中心点的有效范围:10-35°C,一般取25°C。
9、温度补偿系数:对均充电压和浮充电压以温度补偿中心进行负温度补偿。补偿系数应根据蓄电池厂家提供的温度补偿参数进行设置,一般设置为3mV/单体。
直流屏蓄电池温度补偿电压的计算方法:Vtc=Vn-TcXN(T2一T1)
其中,Vtc-_经温度补偿后的电压:Vn-中心温度对应的电压;0TcA1-温度补偿系数,
单位:mV/(C.cell);N—每组电池的数值;/T1—中心温度(单位:°C)。T2—温度传感器指示的温度(单位:°C)。
例:如中心温度为25"C,对应的浮充电压为243V,蓄电池为2V/108节(或12V/18节),求
26.5°C时的浮充电压?(设温度补偿系数为3mV/(°C.cell))
Vtc:243-0.003X108(26.5--25)=242.5V;—2V
Vtc=243-0.003X6X18(26.5--25)=242.5V;—12V(由6个2V的单体组成)
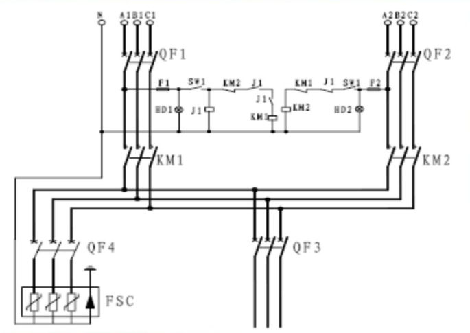
五.直流屏电源系统工作原理
1系统原理图
2充放电工作曲线图
直流屏维护
日常维护
1、检查各信号灯工作是否正常;
2、每天记录直流屏的运行情况,电压、电流值,若发现异常及时处理;
3、蓄电池组状态检查:(1)保持蓄电池外部清洁(2)观察各电池外观是否有膨胀现象;
定期维护
1、每月测量一次蓄电池组的电压及单体电池的电压,每只电池电压应在2.23~2.28V(浮充),若发现电池的电压偏低或不均匀,应采取补充电的方法,使电池的电压及容量恢复均匀;
2、每年对蓄电池核对容量一次,对蓄电池核对容量有二个目的;
(1)了解蓄电池的实际运行容量;
(2)对蓄电池组进行一次活化,使电池容量均匀。
运行维护注意事项:
1、测量电压、电流时要作好安全保护措施:如戴绝缘手套等。
2、检修时最好有两个--起人作业。
3、直流屏的监控器的参数在调试时已按最优配置设定好,不能随意改动里面的数参。
4、若果直流屏出现严重故障,请及时联系厂家。
七.直流屏常用元器件更换方法
直流屏蓄电池核容试验要点:
平时蓄电池组并联在整流设备上,长期保持浮充状态,这种电池在长期浮充之后,常常会出现活性物质脱落、电解液干涸、极板变形、栅极腐蚀及硫化等现象导致蓄电池容量降低甚至失效。因此原邮电部电信总局颁布的电信电源维护规程第83条规定:蓄电池每年做一次放电深度为30%~40%的核对性放电试验;每三年做一次放电深度为100%的容量试验,使用六年以后每年一次。
蓄电池放电期间应每小时测量一次端电压和放电电流。
(1)只有一组蓄电池
当只有一组蓄电池时,不能退出运行,也不能作全核对性放电,只能用1o的电流恒流放额定容量的40%。在放电过程中,蓄电池组端电压不得低于2VXN。放电后,应立即用110电流进行均衡充电。如果蓄电池容量达不到额定容量的40%,应反复放充(2~3)次,一般蓄电池组容量可得到恢复。
(2)有两组蓄电池
如有两组蓄电池,可先对其中--组蓄电池作全核对性放电,用1的电流恒流放电10小时,若其间有个别蓄电池组的端电压下将到1.8VXN时,应停止放电。放完电后用1电流进行均衡充电。
如果蓄电池组放出的容量达不到额定容量的80%以上,应对蓄电池组重复进行多次的全核对性放充电。若经过3次全核对性放充电,容量均达不到额定容量的80%以上,则认为改组蓄电池使用年限已到,应安排更换。
1、直流屏更换电池熔断器
注意:更换电池熔断器可能导致直流输出电源中断。
更换步骤:
1.测量电池组的实际电压。
2.利用专用的载熔手柄取下熔断器。
3.在监控模块中将当前模块的输出电压调整到比电池电压略高1~2V。
4.利用载熔手柄将新熔断器安装到熔座上。(可能产生小的火花)
5.在监控模块中将输出电压恢复到原值。
2、直流屏更换信号熔丝
更换步骤:
1.拔下信号熔丝。
2.安装新的信号熔丝(电池断器没安装的情况不能安装信号熔丝)
特别注意:
电池熔断器与信号熔丝的安装顺序(1)拔电池熔断器时,先要把信号熔丝取下;
(2)安装电池熔断器时,要先安装熔断器,再装上信号熔丝。
3、直流屏更换充电模块
充电模块可以带电热插拔!
更换步骤:
1.松开前面板的固定螺钉。
2.沿水平方向从机柜中抽出模块。
3.将新的充电模块沿导轨插入机柜,固定相应的固定螺钉。
4.设置充电模块上的拨码开关。
4、直流屏更换充电模块风扇
风冷模块的风扇达到使用寿命损坏后,需要及时更换
更换步骤:
1.取下位于模块前面板.上的格状风扇罩。
2.取下风扇,拨开位于风扇后方的2芯电源插头。(注意风扇的电源线不宜太长,否则可能导致电线卷入风扇,使风扇停转)
3.固定好风扇,装上风扇罩。
4.更换完毕。
乐发Vlll
上一篇:直流屏的蓄电池并联改造应用方案
下一篇:UPS与直流屏的联合应用乐发Vlll
扫描二维码
浏览手机端页面
了解更多信息
乐发Vlll地 址: 浙江省乐清市柳市镇茶亭北路湖横长虹工业园北区8栋
电 话: 0577-62767799
传 真: 0577-62760677
邮 箱: 40081476@qq.com
乐发Vlll邮 编: 325604
乐发Vlll网 址: portsaintry.com