乐发Vlll

专业从事电力电源智能模块的研发、生产以及销售,有任何需求或疑问可以拨打右方热线咨询
0577-62767799
当前位置:主页 > 新闻资讯 > 一种基于均流系统的并联型直流屏方案
一种基于均流系统的并联型直流屏方案
时间:2021-03-22 08:45:45 点击次数:3463

随着国家电网的大力发展和智能电网概念的提出,对直流操作电源系统提出了更高的要求,现有直流屏系统适用性灵活性不强,只能集中式供电、占地面积大等缺点已越来越无法满足现代电力发展的需求,同时,又随着现代电力监控技术的大力发展,电力系统故障停电时间一般不超过2h,因此,传统直流屏能量浪费和成本浪费的情况越来越严重。在这样的大环境下,本文提出了一种并联均流型,配置灵活性高、节能、环保、安全的直流操作系统,为电力系统的发展贡献一份力量。

1传统直流屏系统组成和工作原理

1.1系统的组成

传统直流屏系统,一般由交流输人单元充电单元、微机监控单元、电压调整单元.绝缘监察单元、电池巡显单元、直流馈电单元,以及蓄电池组等组成。

1.2系统的工作原理

系统的工作原理,如图1所示。

 

从图1我们可以看出:蓄电池组必须由18~20节蓄电池组成,控母和合母的输出电压不一样,控制模块的电压通过降压回路降为220 V输入到控母,给控制回路供电,充电模块输出的电压为250 V左右,一是,给电池进行充电;二是,直接输入到合母,给合母回路供电。所以,控母和合母是不可互用的,用户在使用时,必须注意分清负载该接入控母还是合母,具备一定的不安全性。电池采用串联的方式,因此,当某一个电池出现问题的时候,整个供电系统能量减弱或者无法提供能量,同时,采用串联的方式不能实现对单个电池进行活化的功能,无法最大程度提高电池的寿命。所以,传统直流屏随着电力系统的发展,无论是从成本控制,还是节能环保概念上,都已慢慢体现出它的弊端,必须有一种新型的产品来更好的取代它。

2基于均流系统的并联型直流屏基本工作原理及

应用

2.1基于均流系统的并联型直流屏系统组成

基于均流系统的并联型直流屏由交流输入单元、智能均流电源单元.微机监控单元、直流馈电单元,以及蓄电池组等组成。蓄电池组一般只需4~8节电池(220 V直流系统),可根据负载情况配置。

2.2基于均流系统的并联型直流屏系统基本工作原理

基于均流系统的并联型直流屏系统基本工作原理,如图2所示。

 

2.2.1交流输入单元

由于电池的数量的减少,所需充电电流大大减弱,所以本文所阐述的基于均流系统的并联型直流屏无需采用380V三相供电方式,既简化了供电方式,又降低了交流输入的能量要求,比传统直流屏至少减少了50%的能量需求。

2.2.2智能均流电源模块单元

智能均流电源模块,包含了整流回路、 DSP控制回路、充电回路、升压回路、均流回路等单元,工作原理,如图3所示。

 

交流输人后经过整流,PFC功率因素调整,降压输出直流220 VDC给负载供电,同时,给充电回路提供能源给电池充电,电池(两节)通过升压回路转换成直流220 VDC,通过零切换回路给负载供电,各个智能均流电源模块通过均流母线连接到公共输出母线,每个智能均流电源模块平均扭负负载所需的电流,同时又起到在线备用的效果,使得模块寿命更长,系统更安全。传统直流屏的充电模块采用的是后备用方式,1台出现问题,1台才开始工作,这样必然会造成寿命受到一定的影响。

2.2.3 电池组单元

基于均流系统的并联型直流屏不再采用多节电池(18)直接串联的方式进行后备,而是两个串联后,经过智能均流电源模块单元转换后并联输出(最多48节电池),单个电池组可通过智能均流电源模块单元进行活化和管理,解决了传统直流屏无法对单个电池进行管理和活化,大大提高了电池的寿命。同时,电池数量的减少,既降低了成本,又更加环保。

 

直流馈电单元

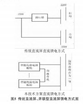
传统直流屏控母和合母由于电压不一致,负载要严格区分,比如 ,微机保护.指示灯等必须接入控母,断路器分合闸、储能电机等负载必须接人合母。本文所阐述的技术控母和合母的电压等级一致,并联输出,可互用,方便用户的使用。传统直流屏、并联型直流屏馈电方式,如图5所示。

 

2.4基于均流系统的并联型直流屏的应用

由于基于均流系统的并联型直流屏采用并联均流技术,可根据负载情况对模块和电池数量进行增减,因此,它既适用于开关柜及负载数量较大的场合,如发电厂、变电站等,又适用于开关柜及负载数量较小的场合,如小型开闭所用户终端等,为用户提供一种性价比极高,配置灵活的新型电力设备。

 

3结语

通过上述对比,本文所提出的技术方案与传统技术相比,在保证了为控制母线和合闸母线可靠供电的前提下,节省了蓄电池的使用数量,避免了蓄电池的闲置浪费,节省了成本;同时,避免了因单节蓄电池损坏造成的整个蓄电池组无法正常提供直流电源的缺陷。又可根据实际需要,灵活设置蓄电池的配置数量和选择电池参数,市场应用范围更广。采用多电源并联供电方式为控制母线或合阐母线供电,有效保证了供电的可靠性,维修检测也更为方便。

扫描二维码

浏览手机端页面

了解更多信息

联系康赛

地 址: 浙江省乐清市柳市镇茶亭北路湖横长虹工业园北区8栋

乐发Vlll电 话: 0577-62767799

乐发Vlll传 真: 0577-62760677  

邮 箱: 40081476@qq.com

邮 编: 325604

网 址: portsaintry.com

澳门灵蛇网4949-香港灵蛇网论坛资料大全最新-灵蛇网4846cc最新版本更新内容-灵蛇网4668cc-灵蛇澳门2025年今晚看 香港六玄开奖网-六玄网132432-六玄神马开奖44579-六玄公式6588777-六玄神马免费中特料-澳彩六玄网论坛6258cmcc 辉耀彩 - 首页 祥顺彩票|主页 顺发2468 - 首页 49盛彩 - 安全购彩